白山屋LOGO

清掃のプロ向け清掃用品販売
清掃のお悩み相談なら
「はくさんや」

清掃に関するご相談・業務用卸のご相談はこちら

  • 営業時間 9:00〜17:00 (定休日:土日祝日)
  • 運営:株式会社ウチイケ

買い物かご

11,000円以上で送料無料

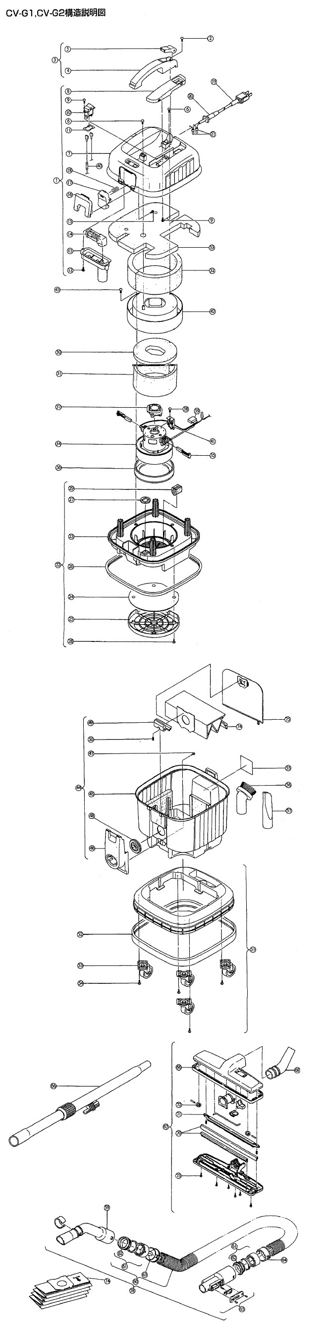
CV-G2用 モーターセット (日立業務用掃除機部品) (CV-96H 031)

商品番号 u381
販売価格 ¥ 13,200 税込
ポイント還元: 120 ポイント

aamazon pay が使えるようになりました。

2008年からモーターが変更になっております。
2008年以前にご購入された掃除機への取付けには、専門知識が必要です。

製品特徴

モーターセットは、CV-G2用の部品です。(日立掃除機)
ヒューズ、カーボンブラシクミを含みます。

この部品の対象機種CV-G2はこちらです。

CV-G2分解方法(画像の機種はCV-96Hです)

  • 頭部分を外します。

  • 電源コード部分のカバーを開けます。

  • ネジを外してハンドルを外します。さらに奥のネジを外します。

  • ひっくり返します。ネジを外します。

  • ウエケースを外します。

  • クランプの取り換えは、ここのネジを外して装着します。

  • 黄色のスポンジを外して、さらに下のネジを外します。

  • モーターがでてきました。

  • モーター周りのスポンジを外します。

  • モーターと結線の様子です。

CV-G2の掲載していない部品も販売中。お問い合わせ下さい。

おすすめ商品

前へ
次へ